
Modelling And Analysis Of Higher Phase Order Hpo Squirrel
Performance Analysis Of Three Phase Induction Motor With Ac

Matlab Simulink Model Of The Single Phase Induction


Induction Motor Tests Using Matlab Simulink

Simulink Model Of Three Phase Vsi Fed Induction Motor

Matlab Model Of Indirect Vector Control Induction Motor

Solved Does Anyone Know How I Would Convert This Dc Motor

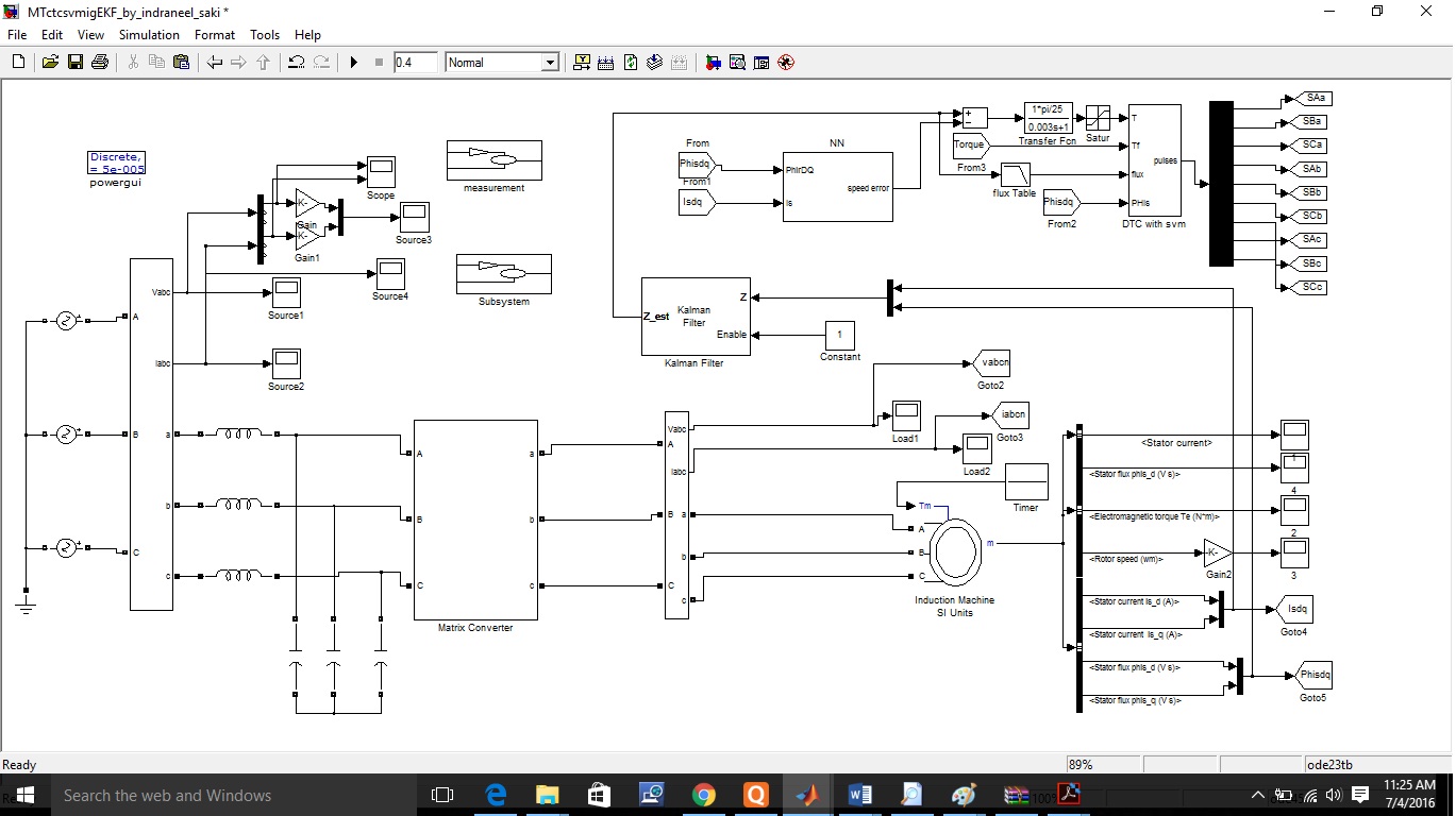
Torque Speed Estimation Of Induction Motor With Matrix

Induction Motor Field Oriented Control Powersim Inc

Matlab Simulink Model Of Ac Induction Motor Download

Simulate An Ac Motor Drive Matlab Simulink

Mathematical Modelling Of An 3 Phase Induction Motor Using

Case Studies Power System Blockset
Analysis Of Field Oriented Control Strategy For Induction Motor
Asoka Technologies Dynamic Simulation Of A Three Phase
Comments
Post a Comment