Question 1 Sketch The Waveform Of The Inductor Voltage Vl T

High Step Up Switched Capacitor Inductor Dc Voltage Regulator

The Calculator Diy Dc Dc Boost Calculator Adafruit


Generating High Voltage With An Inductor

What Is Boost Converter Basics Working Operation Design

Inductor Behavior Questions Electrical Engineering Stack

Lessons In Electric Circuits Volume I Dc Chapter 16

Inductor Choice Yields Performance Tradeoffs In Dc Dc Converters

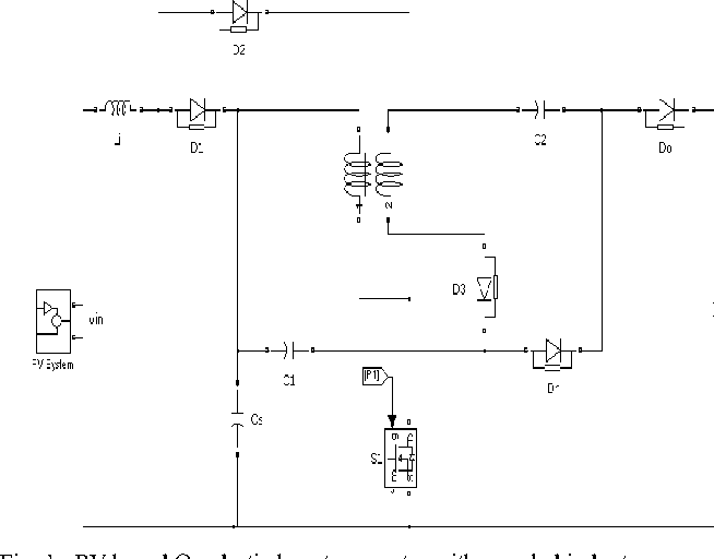
Energies Free Full Text Novel High Step Up Dc Dc

Inductor And The Effects Of Inductance On An Inductor

Voltage Vs Current In A Resistor Capacitor Or Inductor

Boost Converter Wikipedia

Circuit Simulator Project What Is Linear Dc Analysis

Filter Circuits Working Series Inductor Shunt Capacitor Rc

Pv Based High Voltage Gain Quadratic Dc Dc Converter
Comments
Post a Comment