
Analyzing A Resistor Circuit With Two Batteries Video

Ac Fundamental

Are Christmas Lights In Series Or Parallel Wired

Go Ahead Connect An Inductor And Capacitor And See What

Webassign Physics Questions And Answers Tutor Homework Com
Answers To Circuits

Resistors In Parallel Video Circuits Khan Academy

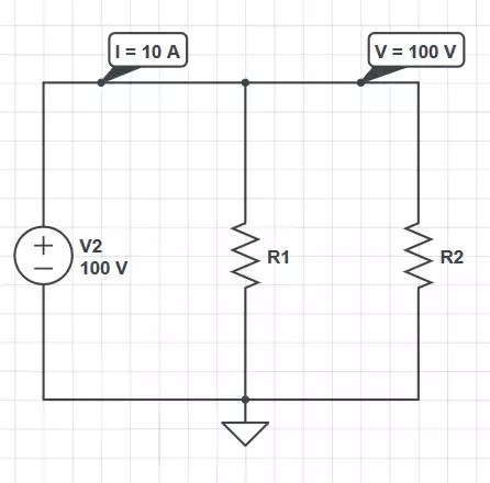
Two Resistors Connected In Parallel Across 100v Dc Supply

Series And Parallel Circuits Learn Sparkfun Com
Wolfson Eup3 Ch25 Test Bank Series And Parallel Circuits

How To Wire Lights In Parallel Switches Bulbs Connection

High Performance Portable Dc Bench Power Supply Save Money

10 3 Resistors In Series And Parallel Physics Libretexts

Power Dissipation In A Resistor
Resistors In Series And Parallel University Physics Volume
Comments
Post a Comment